Self-locking multi-point lock KFV AS-3600
Self-locking multi-point lock KFV AS-3600
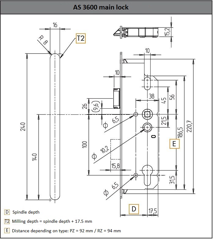
Manufacturer - KFV
Operational principles: as soon as the two bolts of the auxiliary cases touch the relevant part of the frame, the locking function is activated and the locking bolts protract 20 mm into the locked position. Meanwhile, both locking hooks are also fixed into the frame thus ensuring high-level protection against intrusion. The locking hooks protract upwards which maintains proper functionality and high security even in doors that tend to warp. An extra level of security is achieved by blocking the handle when the main lock latch is locked.
-
- automated exterior door security with mechanically activated and self-locking auxiliary case bolts
- locking bolt projection: 20 mm
- can be fitted with auxiliary tools: motorised unlocking system A-Öffner, daytime unlocking mechanism and door stopper
- equipped with integrated self-lubricating latch "Softlock" as standard
- universal use for both right and left hand opening directions, by switching the main lock latch
- modular structure reduces warehouse and logistic costs
- locks with handle and key
- equipped with 2 automated locking bolts and 2 locking hooks locking from the bottom upwards
- in an open position the hook bolts are sunk into the auxiliary lock case flush with the face plate edge
- locking bolts are activated as soon as the door closes and they touch relevant points in the frame
- compatible with:
-
-
- daytime unlocking mechanism (temporary deactivation of automatic locking)
- door stopper T3/T4
- motorised unlocking system A-Öffner (electromechanic access control systems with biometric reader KFV Fingerprint or Bluetooth access control system KFV Keyless)
- available finishes:
-
-
-
- stainless steel (face plate), light galvanised (face plate)
-
Lock operation (default set)
Automated locking
Opening
When the handle [1] is pressed down or the key [2] is turned to the unlocked position, the bolt latches, locking hooks and main lock latch [3] retract into the profile.
When the handle or the key is released, the bolt latches move into a neutral position, the locking hooks remain in an open position, and the main lock latch protracts.
Locking the handle
The main lock latch protracts when the key is turned one full turn to the locked position. In this position, the handle is blocked and the door cannot be opened without the key.
One full key turn to the unlocked position retracts the main lock latch into the profile. In this position, the handle is active.

| Size options | A Total length (mm) |
B Distance from handle centre to lower part centre (mm) |
C Distance from handle centre to upper part centre (mm) |
F Distance from handle centre to motor centre (mm) |
G Distance from handle centre to bottom (mm) |
H Distance from handle centre to auxiliary case centre (mm) |
I Max face plate shortening from top (mm) |
K Max face plate shortening from bottom (mm) |
Leaf rebate (mm) |
| B296* | 2170 | 760 | 355 | 380 | 1020 | - | 665 | 255 | 1505-1754 |
| B298 | 2170 | 760 | 605 | 380 | 1020 | 355 | 415 | 130 | 1755-1880 |
| B001 | 2170 | 760 | 730 | 380 | 1020 | 355 | 290 | 130 | 1881-2170 |
| B003 | 2400 | 760 | 980 | 380 | 1020 | 355 | 270 | 130 | 2171-2400 |
| B039* | 1700 | 760 | 355 | 380 | 952 | - | 1505-1754 | ||
| B041 | 1700 | 760 | 605 | 380 | 952 | 355 | 1755-1880 | ||
| B166 | 1855 | 760 | 730 | 380 | 952 | 355 | 1755-2170 | ||
| B253 | 2170 | 760 | 980 | 380 | 952 | 355 | 1881-2170 | ||
| K038 | 1629 | 760 | 605 | 380 | 892 | 355 | 1755-1880 | ||
| K002 | 1754 | 760 | 730 | 380 | 892 | 355 | 1755-2170 | ||
| K054 | 2004 | 760 | 980 | 380 | 892 | 355 | 1881-2170 |
| * | not available with hole group T0 |
| Size I+K | can be shortened |
Set
Electronic opening solutions and accessories
- Motorised unlocking system KFV A-Öffner
- Electric strike 118E130
- Latch release KFV 115B
Strike plates
- joint strike plates
Joint strike plate for multi-point locks KFV BD25-2-230EG/230ERQH
Keep bolt for double doors KFV BS60-230-230ERQH
- for main locks
Angled security strike plate for main locks KFV 15-530E
Screw-on strike plate for main locks KFV 20-608ERH/31
- for auxiliary cases
Angled security strike plate for multi-point lock auxiliary cases KFV 3615-530Q
Screw-on strike plate for multi-point lock auxiliary cases KFV 3620-608Q/31Q
Auxiliary tools
Motorised unlocking system TA
With a motorised unlocking system door can be opened from the outside without a key. When the daytime unlocking function is active, the locking components (bolt latches and locking hooks) are retracted. The door is held in place only by the main lock latch next to the day latch. If the daytime unlocking function is active and the door is pressed in the opening direction, the day latch bends and releases the main lock latch.
Security lock T4/T3
Security locks secures the house/apartment from unwelcome entry. It restricts the door opening angle and the door cannot be opened from the outside. The factory set includes security lock T4 which can be locked and unlocked from the inside with a turnkey. It can also be unlocked via a profile cylinder using a key.
The optional security lock T3 which can be added to the set differs from the T4 in that it can only be locked and unlocked from the inside with a turnkey.
Motorised unlocking system A-Öffner
Motorised unlocking system A-Öffner adds an electric opening function to the lock's automated locking function. It is compatible with various access control solutions and communication devices; it is compatible with cable adapters and accessories from the GENIUS range.
Operational principles: The motor retracts the locking hooks of the auxiliary cases and the main lock latch. The main lock bolt is not retracted. If the lock is locked with a key, motorised unlocking cannot be performed. The motor is mounted with 3 screws included in the set and it does not require a magnetic contact in the door frame.
Lock set variants
Standard set variants AS 3600, AS 3600 TA un AS 3600 T4 can be fitted with motorised unlocking system A-Öffner,
security lock T3 main lock 3050 TA (daytime unlocking mechanism), forming the following combinations:




- Products
- Price
- In Stock
- Quantity
-
Self-locking multi-point lock, AS-3600-F B001 PZ 55/92-20-8, light galvanizedCode: SB00004018Art. Nr.: 3505392NOT AVAILABLE FOR ORDER! Only stock quantity available.Price:From Special Price €134.10 was €149.00In Stock: 4 pc. -
Self-locking multi-point lock AS-3600-F B001 PZ 65/92-20-8, light galvanisedCode: SB00020061Art. Nr.: 3505395NOT AVAILABLE FOR ORDER! Only stock quantity available.Price:From Special Price €133.84 was €148.71In Stock: 6 pc. -
Self-locking multi-point lock AS-3600-F B003 PZ 55/92-20-8, light galvanisedCode: SB00021229Art. Nr.: 3505393NOT AVAILABLE FOR ORDER! Only stock quantity available.Price:From Special Price €153.78 was €170.86In Stock: 1 pc. -
Self-locking multi-point lock AS-3600-F B003 PZ 65/92-20-8, light galvanisedCode: SB00020062Art. Nr.: 3505396NOT AVAILABLE FOR ORDER! Only stock quantity available.Price:From Special Price €153.78 was €170.86In Stock: 3 pc.
Additional products
- Products
- Price
- In Stock
- Quantity
-
8035-45-F-20/31 Face plate extension for multi-locks AS, 20x3x400 mm, light galvanizedCode: SB00003300Art. Nr.: 3119274Price:From €18.17In Stock: 7 pc. -
AS-3500/3600/BS-3700 electromechanical drive A-Öffner 2.2Code: SB00004077Art. Nr.: 3800700Price:From €305.22In Stock: 2 pc.
| Manufacturer | KFV |
|---|---|
| lock type | multi-point lock for hinged doors |
| lock operation | motorised |
| lock operation type | with key / handle |
| latch type | hooks/bolts |
| number of locking points | 5 |
| installation type | mortise |
| lock cutter type | B001 / B003 / B298 etc. |
| purpose | for exterior doors |
| leaf material | for wooden, metal and framed doors |
| load capacity | high |
| class as per EN 12209 (DIN 18251) | class 3 according to DIN 18251-3 / class 6 according to EN 12400 |
| fire safety | not suitable for fire safety doors |
| Compatibility standard | German (DIN) |
| door direction | universal use for DIN right and left hand doors |
| locking elements | polished nickel-coated |
| lock case | galvanised closed |
| round bolt projection | 20 mm |
| hook bolt projection | 20 mm |
| locking function | PZ - with profile cylinder hole |
| centre distance PZ | 92 mm |
| bolt projection | 15.8 mm |
| lock bolt | single turn (central lock) |
| handle square spindle size | 8 mm |
| face plate finish | Nerūsējošais tērauds, gaiši cinkota |














