Automatic multi-point lock KFV AS-3500
Automatic multipoint lock KFV AS-3500
Manufacturer - KFV
-
- motor lock, PZ
- automatic security with 2 automatic locking hooks, which lock from the bottom upwards
- can be fitted with A-Öffner motorised unlocking system, daytime unlocking mechanism and door stopper
- comes equipped with integrated soft-lock latches as standard
- in an open position the hook bolts are sunk into the auxiliary lock case, flush with the face plate edge to form a smooth surface design
- automated activation of locking hooks
- automatic magnetic trigger compensates for any air-gap tolerance
- hooks lock in the upwards position ensuring that the lock function is correct even in doors that tend to warp, as well as increasing the security level of the door and impeding warping
- high-quality stainless steel face plate
- universal use for both right and left hand opening directions, by switching the main lock latch
- large range of mounting tolerance
- uniform routing templates for sashes and frames – can be used with Q-adjustment strike plates
- modular structure reduces warehouse and logistic costs
- burglary resistance up to security grade RC3
- can be equipped to operate with various access control systems
- complies with VDS highest security grade C requirements
- locking hooks are activated with patented magnets as soon as the door closes, regardless of distance from rebate
- rebate distance is adjusted automatically with magnets; each AS-3500 requires 2 magnets (must be purchased separately) compatible with Q-adjustment module
- locking hook projection: 20 mm
- leaf height: 1600 - 2400 mm
- large range of mounting tolerance (distance between face plate and strike plate 2-6 mm) and options for height adjustment (+2/-4 mm)
- strike plate adjustment range: 5 mm
- compatible with:
-
-
- daytime unlocking mechanism (temporary deactivation of automatic locking)
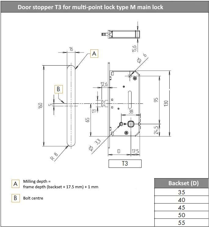
- door stopper T3/T4
- motorised unlocking system A-Öffner (electromechanic access control systems with biometric reader KFV Fingerprint or Bluetooth access control system KFV Keyless)
- available finishes: stainless steel (face plate)
-
Unlocking the lock 
From the outside with a locking cylinder:
- Turn the key in the locking direction until it makes contact, and hold in this position, until the door opens to approximately 50 mm.
From the inside with a handle:
- Press the handle down until it makes contact (approx. 30Ëš), and hold in this position, until the door opens to approximately 50 mm.
The correct unlocking of a door ensures that the locking hooks sit inside the lock auxiliary cases until it is opened again.
When transporting doors with an installed AS 3500 lock it is possible that the automatic locking hooks may activate and cause damage to the lock. To avoid any damage, it is recommended that:
the magnets are installed only after the door is installed on site or special transportation covers are used (may be ordered separately).
Magnets are inserted in any KFV strike plate with adjustment module Q.
| Cutter type | A Total length (mm) |
B Distance from handle centre to lower part centre (mm) |
C Distance from handle centre to upper part centre (mm) |
F Distance from handle centre to motor centre (mm) |
G Distance from handle centre to bottom (mm) |
H Distance from handle centre to auxiliary case centre (mm) |
I Max face plate shortening from top (mm) |
K Max face plate shortening from bottom (mm) |
Leaf rebate (mm) |
| B001 | 2170 | 760 | 730 | 380 | 1020 | 355 | 290 | 130 | 1881 - 2170 |
| B003 | 2400 | 760 | 980 | 380 | 1020 | 355 | 270 | 130 | 2171 - 2400 |
| B298 | 2170 | 760 | 605 | 380 | 1020 | 355 | 415 | 130 | 1755 - 1880 |
| B296* | 2170 | 760 | 355 | 380 | 1020 | - | 665 | 255 | 1505 - 1754 |
| * | = not available with fitting holes for fastening door stopper or daytime unlocking mechanism |
| Sizes K + I | = can be shortened |
Set
Electronic unlocking solutions and accessories
- Motorised unlocking system KFV A-Öffner
- Electric strike plate 118E130
- Latch release KFV 115B
Strike plates
- joint strike plates
Joint strike plate for multi-point locks KFV BD25-2-230EG/230ERQH
Keep bolt for double doors KFV BS60-230-230ERQH
- for main locks
Angled security strike plate for main locks KFV 15-530E
Screw-on strike plate for main locks KFV 20-608ERH/31
- for auxiliary cases
Angled security strike plate for multi-point lock auxiliary cases KFV 3615-530Q
Screw-on strike plate for multi-point lock auxiliary cases KFV 3620-608Q/31Q





- Products
- Price
- In Stock
- Quantity
-
Multi-point lock AS-3500-F PZ 45/92-20-8, B001, st.steelCode: SB00003860Art. Nr.: 3482491Price:From €134.07In Stock: 1 pc. -
Multi-point lock AS-3500-F PZ 45/92-20S-8, B298, st.steelCode: SB00003876Art. Nr.: 3483714Price:From €134.07In Stock: 2 pc. -
Multi-point lock AS-3500-F PZ 55/92-20-8, B003, st.steelCode: SB00003866Art. Nr.: 3482517Price:From €154.02In Stock: 2 pc. -
Multi-point lock AS-3500-F PZ 65/92-20-8, B003, st.steelCode: SB00004040Art. Nr.: 3512279Price:From €154.02In Stock: 0 pc. -
Multi-point lock AS3500-F PZ 65/92-20S-8, B298, st.steelCode: SB00004041Art. Nr.: 3512280Price:From €134.07In Stock: 0 pc. -
Multi-point lock AS-3500-F PZ, 80/92-20S-10, B001, stainless steelCode: SB00003877Art. Nr.: 3483719Price:From Special Price €129.65 was €144.05This price applies only to items in stock. For larger quantities price is calculated upon request.In Stock: 2 pc. -
Multi-point lock AS-3500-F PZ,45/92-16-8, B001, stainless steelCode: SB00003859Art. Nr.: 3482467Price:From €149.00In Stock: 2 pc. -
Multi-point lock AS-3500-F SOFT, 65/92-20S-8, B001, st.steelCode: SB00003931Art. Nr.: 3489210Price:From Special Price €120.66 was €134.07This price applies only to items in stock. For larger quantities price is calculated upon request.In Stock: 6 pc. -
Multi-point lock AS3500-F PZ 55/92-20-8 , B298, st.steelCode: SB00003864Art. Nr.: 3482513Price:From Special Price €120.66 was €134.07This price applies only to items in stock. For larger quantities price is calculated upon request.In Stock: 3 pc. -
Multi-point lock AS3500-F PZ 55/92-20-8, B001, st.steelCode: SB00003865Art. Nr.: 3482515Price:From €134.07In Stock: 6 pc.
Additional products
- Products
- Price
- In Stock
- Quantity
-
AS-3500 magnet for locking hooksCode: SB00003851Art. Nr.: 3482035Price:From Special Price €4.68 was €5.20This price applies only to items in stock. For larger quantities price is calculated upon request.In Stock: 32 pc. -
AS3500 daytime unlocking mechanismCode: SB00003907Art. Nr.: 3485984Price:From Special Price €34.61 was €38.45This price applies only to items in stock. For larger quantities price is calculated upon request.In Stock: 6 pc. -
AS-3500/3600/BS-3700 electromechanical drive A-Öffner 2.2Code: SB00004077Art. Nr.: 3800700Price:From €305.22In Stock: 2 pc. -
Transport cap for magnetic lock AS 3500 KFVCode: SB00003986Art. Nr.: 3498292Price:From Special Price €0.93 was €1.03This price applies only to items in stock. For larger quantities price is calculated upon request.In Stock: 45 pc.
| Manufacturer | KFV |
|---|---|
| lock type | multi-point lock for hinged doors |
| lock operation | motorised |
| lock operation type | with key / handle |
| latch type | hooks |
| number of locking points | 3 |
| installation type | mortise |
| lock cutter type | B001 / B003 / B298 |
| purpose | for exterior doors |
| leaf material | for wooden, metal and framed doors |
| load capacity | high |
| class as per EN 12209 (DIN 18251) | class 3 according to DIN 18251-3 / class 6 according to EN 12400 |
| fire safety | not suitable for fire safety doors |
| Compatibility standard | German (DIN) |
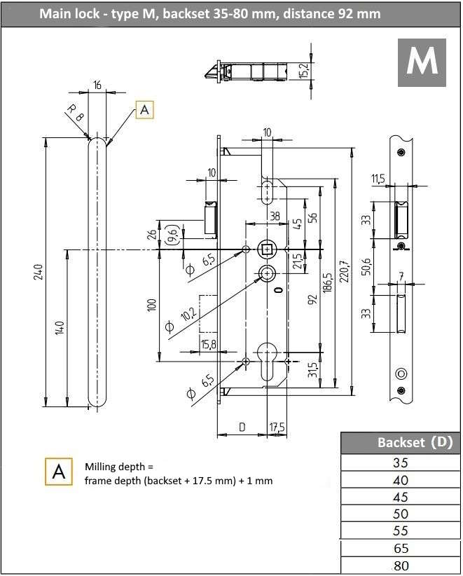
| possible spindle depth | 35 - 80 mm |
| door direction | universal use for DIN right and left hand doors |
| locking elements | polished nickel-coated |
| lock case | galvanised closed |
| hook bolt projection | 20 mm |
| locking function | PZ - with profile cylinder hole |
| centre distance PZ | 92 mm |
| handle square spindle size | 8 mm |
| face plate shape | square |
| face plate width | 16 / 20 mm |
| face plate length | 2170-2400 mm |
| face plate finish | nerūsējošaist tērauds |






























