Emergency exit door lock BMH 1028 B REVERSE
Product code
MB00009272
All prices include VAT
From
€133.39
Only %1 left
Emergency exit door lock BMH 1028 B REVERSE
Manufacturer – BMH-
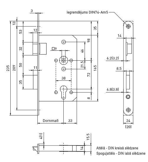
- mortise lock for inward-opening emergency exit doors
- suitable for situations where emergency doors block emergency exit passage, or for inward-opening facade doors in historic buildings
- technical specifications correspond with DIN 18250, EN 179 and EN 1125 requirements for emergency exit doors
- suitable for use only with certified handle sets
- suitable for wooden and metal doors with high usage
- correspond with fire safety requirements according to EN 1634-1 and DIN 4102-18
- lock function B REVERSE
- galvanised, closed lock case
- PZ keyhole, key-retractable single turn latch
- split handle hole: 9 mm
- bolt and latch - galvanised metal
- bolt projection: 15 mm
- centre distance: 72 mm
- standard spindle depth D: 65 mm
- other options for spindle depth D: 55 / 60 / 65 / 80 / 100 mm
- connecting screw holes
- stainless steel face plate
- lock compatible with divided emergency door handle spindle and matching handles
- available finishes: stainless steel (face plate)
NB!
The key must always be taken out of the cylinder after locking/unlocking! Leaving the key in the cylinder can block the escape door function.
It is not allowed to use this lock in combination with knob cylinders.

All prices include VAT
- Products
- Price
- In Stock
- Quantity
-
1028 B REVERSE emergency exit door lock PZ 65/72/24, stainless steel, LEFTCode: SB00013442Art. Nr.: 1028.000039Price:From €133.39In Stock: 2 pc. -
1028 B REVERSE emergency exit door lock PZ 65/72/24, stainless steel, RIGHTCode: SB00013443Art. Nr.: 1028.000040Price:From €133.39In Stock: 2 pc.
| Manufacturer | BMH |
|---|---|
| lock type | single-point lock for hinged doors |
| lock operation | mechanical |
| installation type | mortise |
| purpose | for interior doors / for exterior doors |
| leaf material | for wooden and metal doors |
| load capacity | high |
| class as per EN 12209 (DIN 18251) | class 4 according to DIN 18251 (EN class 3) |
| suitable for emergency exits | complies with 179 and EN 1125 - emergency/panic door equipment |
| evacuation function | B |
| fire safety | complies with EN standard fire safety requirements |
| compatibility standard | German (DIN) |
| possible spindle depth | 55/60/65/80/100 mm |
| door direction | when ordering please indicate door swing direction |
| locking function | PZ - with profile cylinder hole |
| centre distance PZ | 72 mm |
| lock case | galvanised closed |
| latch material | galvanised metal |
| latch | key-retractable |
| lock bolt material | galvanised metal |
| bolt projection | 15 mm |
| lock bolt | single turn |
| sound insulation | no |
| handle square spindle size | 9 mm |
| bundling options | lock compatible with split spindle |
| face plate shape | rounded |
| face plate width | 24 mm |
| face plate length | 235 mm |
| face plate finish | nerūsējošais tērauds |








