Panic lock set for METAL double doors BMH PTVA 12 B,E3-B FULL PANIC
Product code
E3-B
Panic lock set for METAL double doors BMH PTVA 12 (function B)
Manufacturer - BMH (Germany)- lock set with shoot bolts for metal double doors
- with automated locking for inactive leaf
- emergency exit function E
- complies with EN 1125 requirements for panic doors
- suitable for fire safety doors
Inactive leaf function
The passive and active door leaves open simultaneously when the panic bar on the passive door leaf is pressed. Shooting bolts in the passive leaf lock automatically with the top switch lock, thus ensuring the door is locked automatically.
Active leaf function
From inside:
From the inside, the door can be locked and unlocked with a key. A locked bolt can be retracted together with the latch by pressing the panic bar. In this position, the bolt of the lock is fully retracted and the active leaf is open. The handle on the outside is in idle mode.
From outside:
On the outside, the door is fitted with a lever handle. From the outside, the active leaf can be locked and unlocked with a key. If the locking bolt is fully retracted from a locked position during a panic opening, the handle on the outside is set in idle mode. When the lock bolt is turned twice, the latch can be activated with the handle. In this position, the door can be opened from the outside via the lever handle.
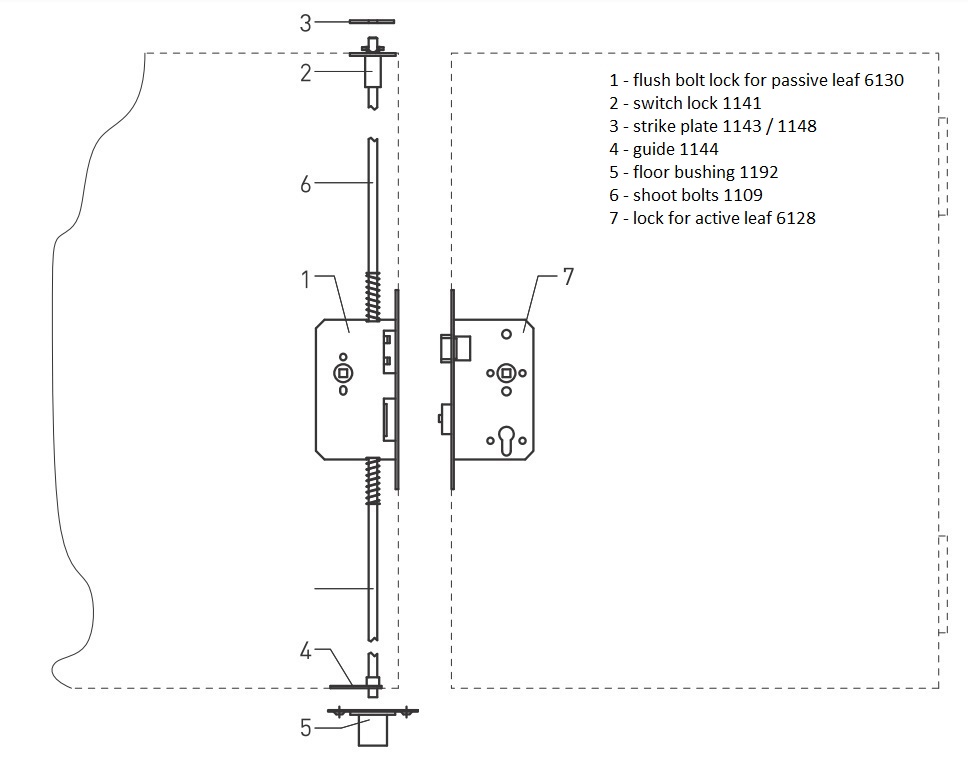
SET
Lock BMH 6128 PZW for active leaf
- complies with EN 1125 requirements for panic doors
- locking function B
- PZ keyhole, single-turn latch
- galvanised, closed lock case
- 9 mm split handle hole
- bolt and latch: nickel-plated steel
- centre distance: 72 mm
- standard spindle depth D: 65 mm
- other options for spindle depth D: 65 / 80 / 100 mm
- rounded stainless steel face plate: 235 x 24 mm
- lock may be used only with suitable and certified panic bars and accessories
Lock BMH 6130 for passive leaf
- complies with EN 1125 requirements for panic doors and fire safety
- galvanised, closed lock case
- 9 mm split handle hole
- standard spindle depth D: 65 mm
- other options for spindle depth D: 65 / 80 / 100 / 125 mm
- rounded stainless steel face plate: 235 x 24 mm
- standard size X: 30 mm
Top switch lock BMH 1141
- galvanised lock case
- plastic latch
- galvanised face plate 54 x 20 mm
- complies with EN 1125 requirements for panic doors
Shoot bolts BMH 1109
- diameter: 10 mm
- thread: M6
- length: 1000 / 1500 / 2000 mm
Strike plate BMH 1148 for top shoot bolt
- size 100 x 20 mm
- thickness: 3 mm
- shape: rounded
- rectangular lip: 60 mm
- material: stainless steel
Floor bushing BMH 1192 for shoot bolts
- adjustable
- interior diameter of the bushing: 12 mm
- oval backplate: 80 x 50 mm, thickness: 1.6 mm
- material: stainless steel
Bottom shoot bolt guide BMH 1144
- interior diameter of the guide: 10.5 mm
- exterior diameter: 15 mm
- backplate size: 60 x 20 mm, thickness: 3 mm
- shape: rounded
- material: galvanised steel
- noise-reducing plastic bushing

All prices include VAT
- Products
- Price
- In Stock
- Quantity
-
WILKA 4678 mortise lock for E3 full panic actice door leaf, function B, 35/92/F24, stainless steel, RIGHTCode: SB00025923Art. Nr.: 4678/000004Price:From €293.78In Stock: 0 pc. -
WILKA 4678 mortise lock for E3 full panic actice door leaf, function B, 35/92/F24, stainless steel, LEFTCode: SB00026635Art. Nr.: 4678/000003Price:From €293.78In Stock: 0 pc. -
WILKA 4663 mortise lock for E3 full panic inactive door leaf, 35/F24, stainless steelCode: SB00020069Art. Nr.: 4663/000001Price:From €204.05In Stock: 0 pc. -
WILKA 4685 switchinglock for E3 full panic inactive door leaf, F24x54 mm, zinc plated steelCode: SB00015337Art. Nr.: 4685/000001Price:From €36.29In Stock: 0 pc. -
WILKA 9648 upper shoot bolt for E3 full panic system, length 1500mmCode: SB00015385Art. Nr.: 9648/000002Price:From €34.18In Stock: 0 pc. -
WILKA 9647 lower shoot bolt for E3 full panic system, length 950mmCode: SB00015384Art. Nr.: 9647/000001Price:From €16.53In Stock: 0 pc. -
P645 striking plate for E3 full panic top locking 4685, 24x60x55mm, stainless steelCode: SB00015599Art. Nr.: P645/000001Price:From €19.76In Stock: 0 pc. -
WILKA 9653 shoot bolt guideCode: SB00015389Art. Nr.: 9653Price:From €7.33In Stock: 0 pc.
Additional products
- Products
- Price
- In Stock
- Quantity
-
Strike plate 5853 for flush bolt 10mmCode: SB00016036Art. Nr.: 5853 0100 33Price:From €1.40In Stock: 70 pc. -
Floor bushing 8028-4V/31, brightly galvanizedCode: SB00003760Art. Nr.: 3473961Price:From €12.46In Stock: 44 pc. -
Floor bushing 11 mmCode: SB00014151Art. Nr.: IN17400Price:From €6.23In Stock: 20 pc. -
WILKA 9651 floor keep for lower shoot bolt, stainless steelCode: SB00015388Art. Nr.: 9651/000500Price:From €15.91In Stock: 0 pc. -
9696 Forend padding 24x3x245 mm, for framed door locks with 6 mm heightCode: SB00015390Art. Nr.: 9696/000001Price:From €7.47In Stock: 5 pc.
| Manufacturer | WILKA |
|---|---|
| Series | E3 |
| lock type | single-point lock for hinged doors |
| lock operation | mechanical |
| installation type | mortise |
| purpose | for interior doors / for exterior doors |
| leaf material | for framed doors |
| load capacity | high |
| suitable for emergency exits | complies with 179 and EN 1125 - emergency/panic door equipment |
| evacuation function | B |
| fire safety | complies with EN standard fire safety requirements |
| compatibility standard | German (DIN) |
| possible spindle depth | 35 mm (pēc pasūtījuma: 30/35/40/45 mm) |
| door direction | when ordering please indicate door swing direction |
| locking function | PZ - with profile cylinder hole |
| centre distance PZ | 92 mm |
| locking function | PZ - with profile cylinder hole |
| set includes: | slēdzene aktīvajai vērtnei, slēdzene pasīvajai vērtnei, sprostslēdzene, |
| set includes: | slēgstieņi, slēgstieņu pretplāksne, grīdas vadotne |
| lock case | galvanised closed |
| latch material | nickel-coated steel |
| latch | not key-retractable |
| lock bolt material | nickel-coated steel |
| bolt projection | 15 mm |
| lock bolt | single turn |
| sound insulation | no |
| spindle depth | 35 mm |
| handle square spindle size | 9 mm |
| face plate shape | square |
| face plate width | 24 mm |
| face plate length | 245 mm |
| face plate finish | nerūsējošais tērauds |





























